人形机器人
国内首款开源的人形机器人
开源对于机器人行业的意义不言而喻。
此前美国MIT的 Min cheetah四足机器人全开源,就很好助推了相关技术创新以及产业协作,使得相关机器人研发的门槛大幅降低,四足机器人全面开花,全球越来越多研发团队参与到相关产品的研发和产业化,并验证自己的想法。这无疑加速了全球资源共享和产业协同,为机器人时代的来临贡献了更多可能性。
人形机器人作为当今最热门的机器人赛道,是人们最为期待的产品之一。但人形机器人软硬件集成开发难度非常高,想要打造一款能稳定、高效运行的人形机器人,需要综合掌握包括机械设计、电子工程、计算机科学等多个领域的技术,需要对感知和控制等算法方面进行深入的研究和开发,且花销不菲。这导致研究者和开发者普遍较少,也局限了基于人形机器人本体进行的人工智能和机器学习后续研究。

那么,一款软硬件开源的人形机器人,能否按下人形机器人研究的加速键?
开源产品情况一览
近日,机器人大讲堂了解到,国内名为【因克斯智能】和【桥介数物】的两家企业正计划开源双足机器人,包括底层控制算法和硬件结构。机器人大讲堂拿到了该机器人的独家产品参数。

从外观来看,这款开源的人形机器人产品EC-Hunter80-V01有着独特的腿部造型,没有上半身和手臂,而且去掉了目前没有必要的机器人外观件,仅保留了最基本的结构件,让机器人没有多余的零件以达到最大程度的轻量化。这有点类似国外Agility Robotics公司下半身采用经典“鸵鸟腿”的人形机器人原型cassie,都是极简的工程机械风。而目前cassie已经长出了上半身和手臂升级为Digit机器人并计划每年生产1万台。
就硬件参数来看,EC-Hunter80-V01身高785.97mm,前后宽度178mm,左右宽度330.4mm,整体有着10自由度,本体重量约12kg,机器人带有一个5300毫安的锂电池,该电池包虽然不配备统一的电池管理系统但能实现电源电量显示和低电量报警。机器人配备有5V10A和19V12.5A两个电源线路接口。控制系统和电驱部件的开放性、兼容性都非常不错。

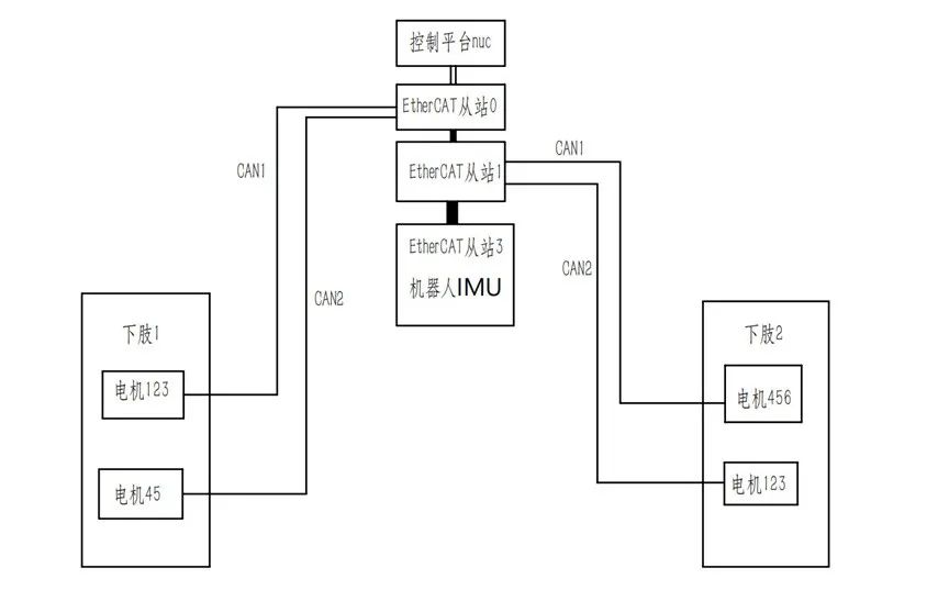
在控制模块上,EC-Hunter80-V01采用的是nucwski7控制平台以及EtherCAT控制接口,EtherCAT接口使用的是因克斯智能自主研发的高速EtherCAT转CAN模块,一个模块带6个电机可以实现最高1kHz的通信帧率,而一个模块带2个电机则可以实现最高2kHz的通信帧率。
采用etherCAT转CAN模块,这种设计能方便的解决Linux系统与关节电机之间的连接。CAN通信具有可靠性高,抗干扰能力强,低成本,接口体积小等优点,而EtherCAT使用的是RJ45端口,体积大,但是一次性传输数据量大,便于与Linux等系统连接,因此使用EtherCAT转CAN在足式机器人上作为关节模组与控制平台的连接是一个不错的选择。同时,我们还注意到该机器人的IMU也使用的是一块由因克斯自主研发的EtherCAT总线的模块,与电机控制走的是一条总线。这不仅简化了整机的硬件构架,还保证了通信的实时性。
之所以只有下半身腿足部分,是因为因克斯智能认为,目前阻碍双足机器人大规模运用的主要技术点之一就是下肢平衡机运动,这也是目前国内外各大机器人厂家重点攻克的技术难题。因此,在硬件平台上,EC-Hunter80-V01重点保留了下半身双足部分,但同时支持用户自由升级。

算法是人形机器人的核心部分,包括运动控制、感知、决策等不同部分,因克斯智能采用的是Model-based控制方法,同时采用MPC+WBC算法框架,融合定位感知、步态规划、触地计算等模块对足式机器人进行力矩混合控制。
因克斯智能对机器人大讲堂透露,因为计划开源EC-Hunter80-V01机器人的核心控制代码,包括了底层etherCAT通信、双足运动控制算法、步态规划以及调试组件等,同时机器人的整机结构,使用的硬件模组方案也会开源。
这意味着在这款开源机器人的基础上,用户在硬件上可以自行修改和改进机器人的结构,例如增加机器人的自由度,增加足底趾关节,增加外观件等等,由于这款机器人的负载达到了15kg,可以增加双臂,甚至是四臂等,以及视觉系统等等。

而在软件层,用户同样可以在已经开源代码的前提下,自己改进机器人的控制算法代码,例如可以加入强化学习算法等等,让机器人稳定性控制得到升级。整体来说修改空间和拓展自由度非常大。
在采访中,因克斯智能透露,目前该机器人的算法独立开源,预计在24年除夕前(2月8日)上传至github,具体地址为(https://github.com/bridgedp ),而硬件平台单独销售,价格初步预计定在18万元左右。
开源的基础
能实现如此高的开源度,核心在于底层运动控制部件的自研自产。
在机器人大讲堂此前的报道“人形机器人零部件市场的新机遇来临?这家企业抢跑”中,就关注到因克斯智能这家企业。该企业创业起步并不算久,团队最初主要是研发机器人的关节模组,但技术具有非常强的独特性,其最终产品具有峰值扭矩密度大、重量轻的特征。例如一款名为EC-A8112-P1-18的产品峰值扭矩90Nm,重量840g,另外一款名为EC-A4310-P2-36的产品峰值扭矩36Nm,重量仅为377g。

在EC-Hunter80-V01这款开源双足机器人上,我们同样见到了轻量化的特征。不同于目前市场上动辄数十公斤的人形机器人本体,EC-Hunter80-V01本体仅十余公斤,这对于人形机器人而言,就大幅增加了开发的便捷性、安全性,也间接提升了机器人运动控制的鲁棒性。
而这是因为机器人采用的关节,本身就是因克斯智能科技目前最具有竞争力的两款轻量化产品EC-A8112-P1-18、EC-A4310-P2-36。两款自研自产关节的组合,不仅简化了人形机器人的设计结构,降低了维护难度,而且减少了线束,也省去将不同产品磨合在一起的时间,软硬件整体稳定性非常明显。但在性能上,两款产品的峰值扭矩密度达到了100Nm/kg以上,能为双足人形机器人的运动提供强劲动力。

据机器人大讲堂了解,在原先,因克斯智能的主要精力都在模组研发和生产上,并未开启人形机器人研究,但在服务新用户的过程中,往往会需要投入较多精力去与客户沟通并证明模组在双足机器人上的效能。因此,打造一个机器人样板,无疑能够节省非常多的时间。
在生态化过程中,因克斯智能有缘遇到了【桥介数物】这个专注于机器人算法的合作伙伴,双方一拍即合开启了生态合作项目,利用两家企业自身优势快速打造了这款开源的双足机器人,以便更好地服务客户。
据悉,桥介数物是一家由南科大、北航、华科和清华等国内外高校本硕博成员组成的创业公司,致力于发展人形和四足机器人运动控制技术及模块化产品。团队成立半年,凭借出色的研发实力,1个月时间实现人形双足机器人稳定行走控制从零到一的突破;接下来团队将在机器人强化学习、模仿学习等前沿方向和人形机器人运动“小脑”模块持续投入。
在双方合作中,由因克斯智能提供机器人硬件和底层通信方案,而桥介数物则开发适配的控制算法,同时后续会由因克斯智能各负责相应板块的升级。
因克斯智能相信,这款机器人只是一个开始而非结束,未来两家企业将长期合作持续更新迭代这款开源版本的机器人。在研发计划中,未来2.0版本的机器人,因克斯智能希望在1.0版本的基础上加上双臂,3.0版本会加上视觉,3.0版本及以上考虑把机器人做到1.7m左右,使得机器人更加接近于人,让机器人能做更多的demo,帮助开发者的机器人研究更加简单。

结语与未来
在原先,世界上机器人领域大多数开源项目基本是由国外发起,作为一款少有的中国开源的人形机器人,EC-Hunter80-V01不仅仅展示着当前中国人形机器人产业生态的极大进展,也还向世界展示着中国在人形机器人领域的分享精神和深度交流愿景。EC-Hunter80-V01这款开源的双足机器人,相信有望加速行业整体的发展进程,加速全球通用人形机器人的落地运用。
“全球机器人开源是早晚的事。就好比电脑操作系统有收费系统,也有开源系统,手机系统也有开源系统,机器人未来市场规模这么大,也必然会有开源的机器人。”因克斯智能CEO祝宗煌说道。而桥介数物创始人尚阳星则表示,“机器人社区的发展离不开开源力量的推动,过去我们也从开源社区中受益良多。我们希望持续为机器人社区做出贡献,和各位同行一起,为中国以及全球通用机器人的发展做出自己的努力。”